Busch-Jaeger Wechselschalter: Ihr Guide

B.Jadlamracingmodels 45 views
Busch-Jaeger Wechselschalter: Ihr Guide

Busch-Jaeger Wechselschalter: Ihr Guide

Hey guys! Today, we’re diving deep into the world of Busch-Jaeger Wechselschalter . If you’ve ever wondered about how to control lights from two different locations, you’ve come to the right place. Wechselschalter, or two-way switches, are super handy and essential for modern living. Busch-Jaeger is a brand that’s pretty much synonymous with quality electrical installations in Germany and beyond, so understanding their range of Wechselschalter is a smart move for anyone looking to upgrade their home or just understand their electrical setup better. We’re going to break down what makes these switches tick, why you might need one, and how they fit into your everyday life. Get ready to become a Wechselschalter pro!

What Exactly is a Wechselschalter?

Alright, let’s get down to basics, folks. A Wechselschalter is basically a type of light switch that allows you to control a light fixture (or a group of lights) from two different locations. Think about it: the classic example is the top and bottom of a staircase. You can turn the light on at the bottom before you go up, and then turn it off at the top when you reach the landing. Or, imagine a long hallway – you can turn the light on at one end and off at the other. It’s all about convenience and safety, preventing those awkward fumbles in the dark or the need to walk across a room just to flip a switch. Unlike a simple single-pole switch that just makes or breaks a circuit, a Wechselschalter has three terminals. This allows it to connect to two different circuits, effectively switching the power between two paths. This crucial difference is what enables the control from multiple points. So, when we talk about a Busch-Jaeger Wechselschalter, we’re talking about a high-quality, reliable component from a top brand that does exactly this job, often with the added benefits of modern design and robust construction. They are designed to fit seamlessly into various switch ranges offered by Busch-Jaeger, ensuring aesthetic consistency in your home. Whether you’re renovating or building new, integrating these switches is a practical upgrade that many people overlook until they experience the sheer convenience. Plus, with safety being paramount in electricals, choosing a reputable brand like Busch-Jaeger gives you that extra peace of mind.

Why Choose Busch-Jaeger for Your Wechselschalter Needs?

Now, why would you specifically opt for a Busch-Jaeger Wechselschalter over other brands? It’s a great question, and the answer boils down to a few key factors that seasoned electricians and DIY enthusiasts rave about. Firstly, reliability and durability are huge. Busch-Jaeger has built its reputation on producing electrical components that last. Their Wechselschalter are typically made from high-quality materials, designed to withstand frequent use without failing. This means fewer headaches down the line with faulty switches or replacement costs. Secondly, safety standards are rigorously met. German engineering is world-renowned for its precision and adherence to strict safety regulations, and Busch-Jaeger is a prime example. You can trust that their products are built with safety as a top priority, protecting both your home and your family from electrical hazards. Thirdly, their design and integration capabilities are fantastic. Busch-Jaeger offers a wide array of design lines, like the popular ‘Future Linear’ or ‘Solo’, which means you can find a Wechselschalter that perfectly matches the aesthetic of your existing switches and interior décor. No more clashing switch designs! They are engineered for easy installation, making the electrician’s job simpler and, if you’re a confident DIYer, making the project more manageable. Finally, the innovative features often found in their products, even in basic switches, set them apart. While a Wechselschalter’s core function is simple, Busch-Jaeger often incorporates subtle improvements in usability, connection technology, or even compatibility with smart home systems, depending on the specific product line. So, if you’re looking for a Wechselschalter that’s not just functional but also built to last, safe, stylish, and from a brand you can depend on, Busch-Jaeger is definitely a top contender. It’s an investment in quality that pays off in the long run.

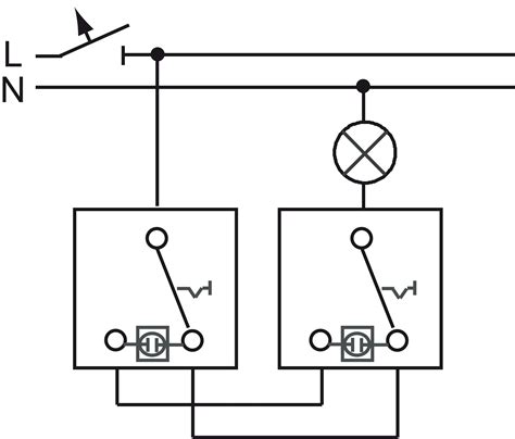
Installing Your Busch-Jaeger Wechselschalter: A Basic Overview

Alright guys, let’s talk installation. While I always recommend hiring a qualified electrician for any electrical work to ensure safety and compliance, understanding the basic process can be really helpful, especially if you’re curious or working with a pro. Installing a Busch-Jaeger Wechselschalter isn’t rocket science, but it does require attention to detail and a fundamental understanding of wiring. The key difference from a standard switch is the wiring. You’ll typically have three main connection points: one for the incoming power (often called the ‘line’ or ‘L’), and two ‘traveler’ terminals. These traveler terminals are the magic that allows the switch to communicate with another Wechselschalter at the other end. The power comes into the first switch, then travels via wires (the ‘travelers’) to the second switch, and from the second switch, it goes to the light fixture. The crucial part is ensuring the travelers are correctly connected between both switches. If these are crossed, the switch might not work as intended, or worse, could create a short circuit.

Step-by-Step (Simplified):

  1. Safety First! Always, always turn off the power to the circuit at the main breaker box before you start. Double-check with a voltage tester to be absolutely sure. Seriously, don’t skip this.
  2. Remove Old Switch: Carefully remove the old switch plate and the existing switch. Note how the wires are connected – take a picture if it helps!
  3. Identify Wires: You’ll typically see a wire bringing power in (L), and potentially two wires going to the other switch location (travelers). If replacing a standard switch, you might need to run new wires for the travelers.
  4. Connect New Switch: Connect the incoming power wire to the ‘L’ terminal on your new Busch-Jaeger Wechselschalter. Connect the two traveler wires to the two traveler terminals. Ensure all connections are secure and that no bare wire is exposed. Busch-Jaeger switches often have clear markings and easy-to-use push-in terminals, which makes this part a breeze.
  5. Connect Second Switch: At the other location, connect the traveler wires coming from the first switch to the traveler terminals on the second Wechselschalter. Then, connect the wire going to the light fixture to the ‘L’ terminal on the second switch.
  6. Test: Before fully reassembling, temporarily turn the power back on and test the switches. Do they both turn the light on and off independently?
  7. Reassemble: Once confirmed working, turn the power off again, carefully tuck the wires back into the wall box, and screw on the new switch plate.

Remember, this is a simplified overview. Specific wiring diagrams can vary based on your home’s setup and the exact Busch-Jaeger model. Always refer to the manufacturer’s instructions and consult a professional if you have any doubts. Safety is non-negotiable, guys!

Different Types of Busch-Jaeger Wechselschalter and Their Uses

Busch-Jaeger doesn’t just offer one type of Wechselschalter; they have a range designed to fit various needs and styles. Understanding these differences can help you pick the perfect switch for your project. The most common type is the standard Wechselschalter itself, which we’ve been discussing – controlling a light from two points. But they also offer variations that are pretty cool and useful.

First up, you have the Kreuzschalter (cross switch or four-way switch). This isn’t a replacement for a Wechselschalter but is used in conjunction with two Wechselschalter. If you need to control a light from three or more locations (like a very large room with multiple entrances, or a long corridor), you’ll need Kreuzschalter. They are wired between the two Wechselschalter. So, the circuit would look like: Power -> Wechselschalter 1 -> Kreuzschalter(s) -> Wechselschalter 2 -> Light. Busch-Jaeger offers these in their various design lines too, so you don’t have to compromise on aesthetics. These are indispensable for larger spaces where controlling lighting from numerous points is a must.

Then, there are Wechselschalter with integrated features . Some models might come with a small LED indicator light. This is super handy for locating the switch in a dark hallway or room without having to turn the main light on. The LED typically consumes a tiny amount of power when the light is off. Other variations might be designed for specific environments, like damp-resistant versions for bathrooms or garages, though for bathrooms, specific IP ratings are crucial, and you’d need to check those carefully. Busch-Jaeger also has advanced switch systems, like those integrated into their Busch-Controlpanel or free@home smart home systems. While these aren’t simple standalone Wechselschalter, they offer the functionality of controlling lights from multiple points, often with added benefits like remote control via smartphone, scheduling, or integration with other smart devices. If you’re looking to modernize your home with smart technology, these systems provide the Wechselschalter functionality within a much broader, connected ecosystem.

Finally, consider the design series . Busch-Jaeger’s strength lies in offering these functional switches across their entire product portfolio. Whether you prefer the clean, minimalist look of Future Linear , the classic simplicity of Solo , the robust design of Alpha or beta , or the modern aesthetic of Carat , you can get a Wechselschalter that matches. This consistency is invaluable for interior design. So, when choosing, think about where you need the switch, how many control points you require, and what style best fits your home. Busch-Jaeger has a solution for pretty much every scenario, ensuring both functionality and form.

Troubleshooting Common Wechselschalter Issues

Even with high-quality components like a Busch-Jaeger Wechselschalter , sometimes things can go a bit haywire. Don’t panic, guys! Most common issues are relatively straightforward to diagnose and fix, provided you follow safety precautions. The most frequent problem is that the switch simply doesn’t work – the light doesn’t turn on or off, or it only works from one location. The first and most crucial step, as always, is to turn off the power at the breaker. Once that’s done, you can start investigating.

A common culprit is incorrect wiring , especially with the traveler wires. If the light only works from one switch, or behaves erratically, it’s highly likely that the wires connecting the two switches (the travelers) are either not connected properly at one or both ends, or they’ve been crossed. Double-check that the traveler wires are securely fastened to the correct terminals on both Wechselschalter. Remember, these are the wires that loop between the two switches. If you have a Kreuzschalter involved, ensure those are wired correctly too – they have four terminals for the traveler connections. A loose connection is also a frequent offender; give each wire a gentle tug to make sure it’s firmly in place.

Another possibility is a faulty switch . While Busch-Jaeger products are known for their durability, no electronic component is immortal. If you’ve meticulously checked the wiring and everything seems correct, but the switch still malfunctions, the switch itself might be dead. In this case, replacement is the only option. This is where having matching switch ranges comes in handy – swapping out a faulty switch for a new one from the same Busch-Jaeger series is usually a seamless process.

Sometimes, the issue might not be with the switch at all but with the light fixture itself or the wiring leading to it . If both switches seem to be functioning correctly (you can hear a click, and the traveler wires are carrying the correct voltage), but the light still won’t illuminate, the problem could be a burnt-out bulb (obvious, but worth checking!), a loose connection in the light fixture, or a break in the wire connecting the second switch to the light.

Flickering lights can also occur. This is often a sign of a loose connection somewhere in the circuit – either at the switch, the fixture, or even in the junction box. Again, with the power off, carefully inspect all connections.

If you’ve gone through these steps and are still scratching your head, or if you’re ever uncomfortable working with electricity, it’s time to call in a professional. Electricians have specialized tools and the expertise to quickly diagnose complex issues and ensure everything is fixed safely and correctly. Don’t risk your safety or your home, guys – when in doubt, get a pro!

Conclusion: Why Busch-Jaeger Wechselschalter Are a Smart Choice

So, there you have it, guys! We’ve covered the essentials of the Busch-Jaeger Wechselschalter . From understanding what a Wechselschalter is and why it’s so incredibly useful for controlling lights from two different locations, to exploring the distinct advantages of choosing a top-tier brand like Busch-Jaeger, we’ve delved into the nuts and bolts. We touched upon the installation process – emphasizing safety above all else – and explored the different types available, including the crucial role of the Kreuzschalter for multi-location control, and the availability of integrated features and smart home compatibility.

Choosing a Busch-Jaeger Wechselschalter isn’t just about buying a switch; it’s about investing in quality, reliability, and safety . Their commitment to German engineering standards means you get a product that’s built to last, functions flawlessly, and integrates beautifully with your home’s aesthetic. Whether you’re dealing with the convenience of your staircase lighting, the practicality of a long hallway, or the complexity of a large room, a Wechselschalter is a must-have component. And when you pair that functionality with the superior quality and design of Busch-Jaeger, you truly get the best of both worlds.

Remember, for any electrical installation, safety is paramount. If you’re not confident, always consult a qualified electrician. But armed with this knowledge, you can make an informed decision when selecting and installing your next set of switches. A Busch-Jaeger Wechselschalter is a small component that makes a big difference in the comfort, safety, and functionality of your home. Go ahead, make the smart choice!